Diode PID Replacement Parts | DIODE PID / DIODE S | HotAirTools

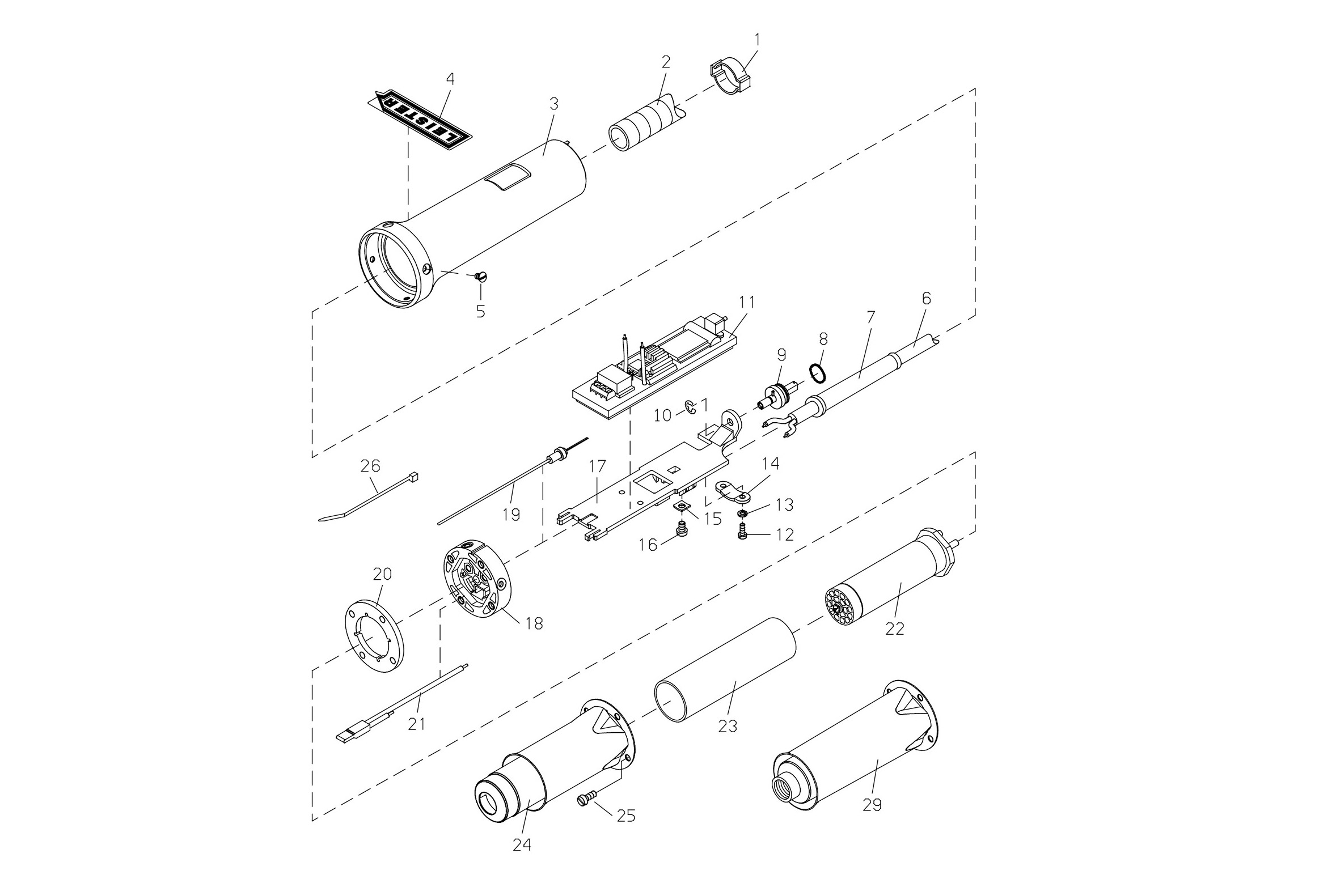
Diode PID Replacement Parts

SKU#:

DIODE PID / DIODE S

Diode PID replacement parts for your tools.
Request Pricing